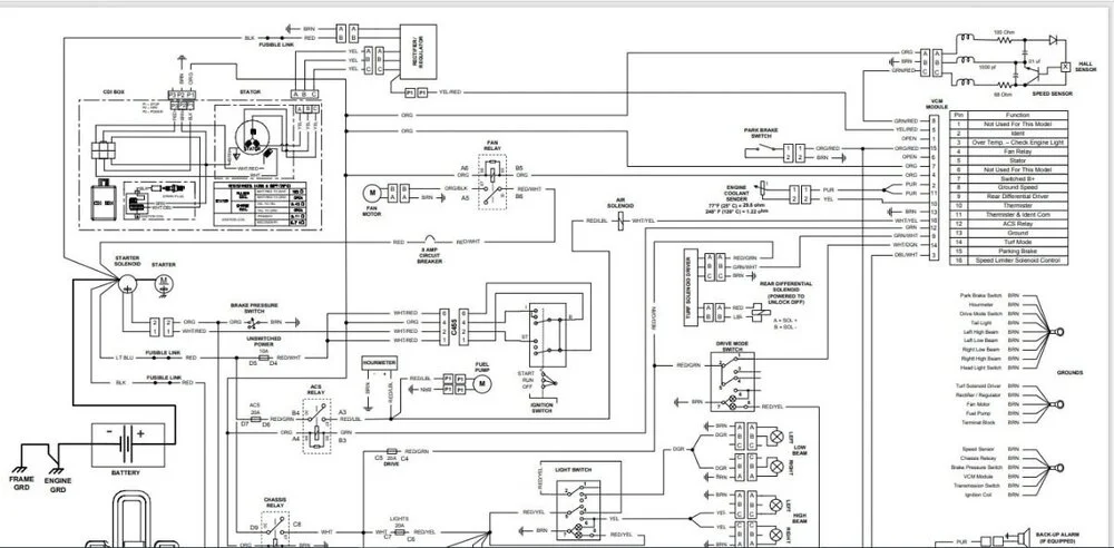
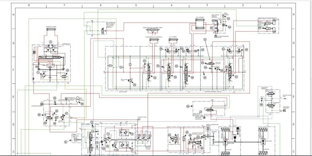
Bobcat Advanced Troubleshooting System (BATS) – All technical information for Bobcat excavators/loaders/telescopic handlers. Wiring diagrams, error codes, service bulletins, modifications, etc.
Bobcat Advanced Troubleshooting System (BATS) – All technical information for Bobcat excavators/loaders/telescopic handlers. Wiring diagrams, error codes, service bulletins, modifications, etc.
Reviews
There are no reviews yet.